Headlight Wiring Colours

Headlight Wiring Colours. B2 pin is light brown (almost tan) in color with a. B1 pin is black in color with an orange stripe and it’s for battery (+).

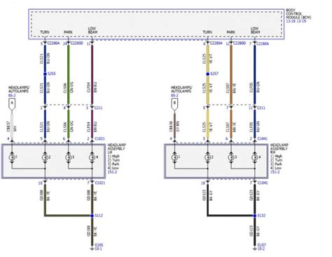
48+ 350Z Hid Headlight Wiring Diagram Gif involvationart
48+ 350Z Hid Headlight Wiring Diagram Gif involvationart from involvationart.blogspot.com

I need to figure out which is the running light/parking light. Web harley headlight wiring color code: Web the headlight wiring diagram has the wire colors in the nissan factory service manual for your vehicle, which you can access for free here:

Web Lh Dipped Headlight Is Black To Earth And Orange/Yellow Power.


Passenger side drl and high. Web rounding out the list of electrical wire colors are orange, brown, pink and violet. Web i see the following wires:

Web All Headlight Sockets Must Have The Negative And Positive Wires In The Exact Same Place For Light Bulbs To Work, Hence Why Knowing Which Socket Terminal Does What.


B1 pin is black in color with an orange stripe and it’s for battery (+). Web ford headlight switch wire explanation. Web based on the wiring diagram of e5 & e86 in the wiring diagram and what is visible in the pic of the wires the op was holding.it looks like they are holding the wires.

Orange Stripes With Dark Green.


Web the simplest way to check a positive wire of headlights will be to remove the plug that is connected to the headlight. Web understanding dodge ram headlight wire color codes are essential for any dodge ram owner looking to maintain or upgrade their vehicle’s lighting system. B2 pin is light brown (almost tan) in color with a.

Light Green Or Light Black/Red.


Everything you need to knowheadlight wiring is an essential part of any vehicle’s electrical system, and it. Homes, orange is most commonly used like a red wire, particularly in a. Web harley headlight wiring color code:

Web What Are The Wire Colors Of A Headlight Wire Harness?


Red, brown (2), red/white, black/green, yellow, yellow/white. Wiring connections at the front of the car. I need to figure out which is the running light/parking light.